Холостой ход трансформатора
Режимом холостого хода называется работа трансформатора при разомкнутой цепи вторичной обмотки (рис. 1.2)

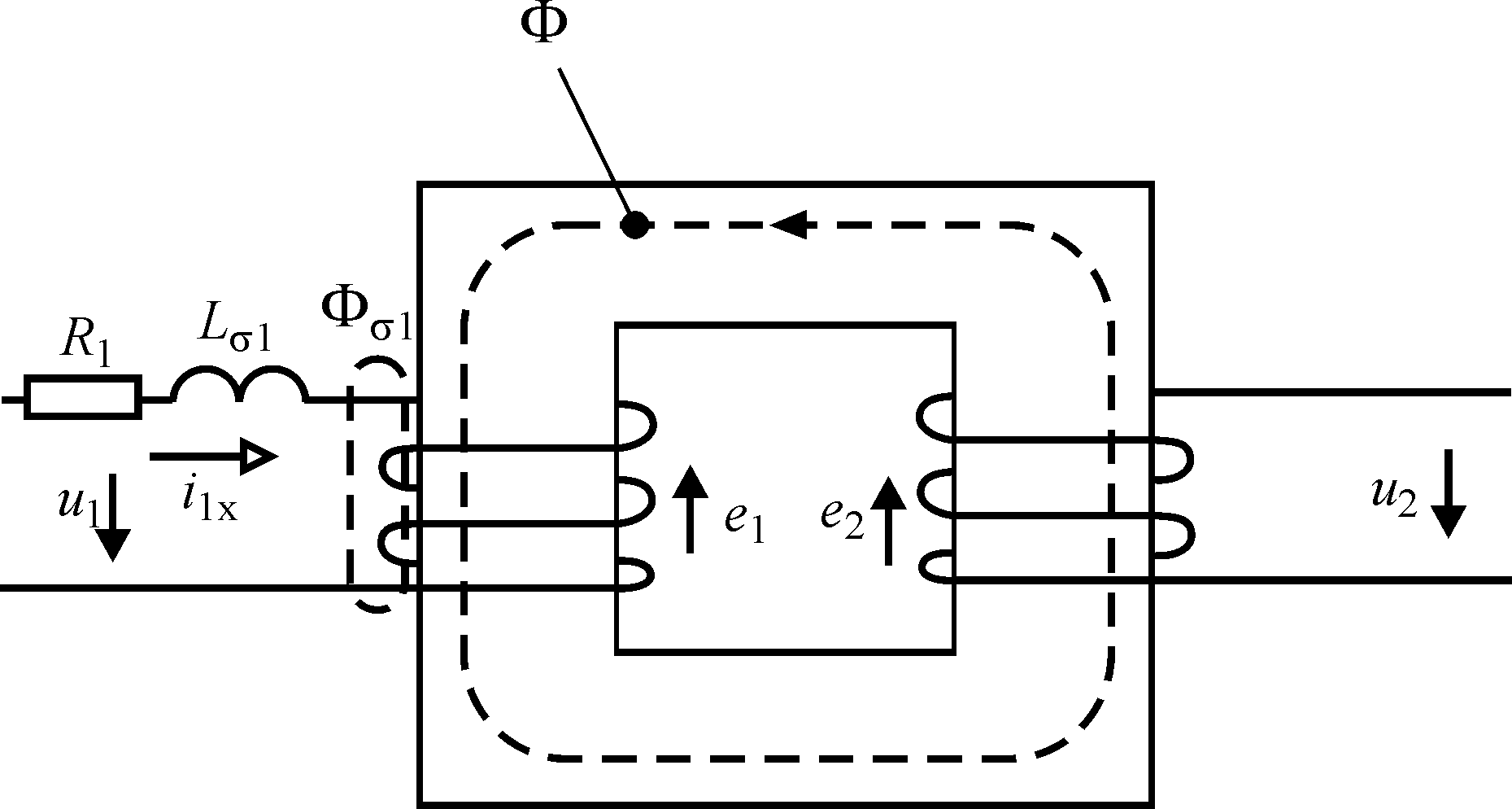
Рис. 1.2. Схема трансформатора в режиме холостого хода
В первичной обмотке протекает ток холостого хода
, который создает магнитный поток в сердечнике трансформатора Ф и поток рассеяния
, сцепляющийся с первичной обмоткой. Каждый из этих потоков наводит в первичной обмотке ЭДС
и
. Так как величина потока рассеяния пропорциональна току
, то ЭДС потока рассеяния можно представить как
. Тогда уравнение Кирхгофа для первичной цепи трансформатора с учетом падения напряжения на активном сопротивлении обмотки
будет иметь вид –
или в символической форме –
, где
- индуктивное сопротивление рассеяния первичной обмотки.
Для вторичной цепи, ввиду отсутствия в ней тока, уравнение Кирхгофа имеет вид ![]()
Векторная диаграмма, соответствующая этим уравнениям представлена на рис. 1.3. Ток холостого хода
опережает создаваемый им магнитный поток Ф на величину угла магнитных потерь в сердечнике трансформатора. Эти потери возникают вследствие того, что поток Ф наводит в поперечном сечении магнитопровода вихревые токи, нагревающие материал сердечника. Кроме того, потери в сердечнике возникают также в результате перемагничивания. Если вектор тока
разложить на реактивную составляющую, совпадающую с направлением потока
, и активную, перпендикулярную потоку
, то активная составляющая тока будет соответствовать суммарным потерям в магнитопроводе, связанным с вихревыми токами и перемагничиванием. Реактивная составляющая тока определяет величину магнитного потока в сердечнике трансформатора и называется намагничивающим током.
Ток холостого хода трансформатора в несколько раз меньше тока, соответствующего работе его под нагрузкой. Поэтому падения напряжения на активном сопротивлении
и индуктивном сопротивлении рассеяния
очень мало и приближенные равенства
или
выполняются с высокой точностью. Следовательно, в режиме холостого хода отношение напряжений на первичной и вторичной обмотках соответствует коэффициенту трансформации
Рис. 1.3. Векторная диаграмма трансформатора в режиме холостого хода