2.3.2.2 Широтно-импульсные преобразователи, формирующие фазные токи

При рассмотрении систем трансвекторного управления было отмечено, что они строятся на основе управления моментом АД посредством воздействия на ток статора. Поэтому, если управляющим воздействием является напряжение статора, то в устройстве управления обязательно присутствует преобразование сигналов тока в напряжение. Без дополнительного преобразования можно обойтись, если с помощью ШИП непосредственно формировать фазные токи статора. Такой формирователь выполняет функцию дискретного усилителя мощности сигналов заданных токов и может быть работать с постоянной или переменной тактовой частотой.

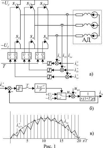
Функциональная схема формирователя фазных токов, работающего с постоянной тактовой частотой, показана на рис. 1 а. Логический сигнал управления ключами формируется в соответствии со знаком разности заданных значений фазных токов  и истинных значений , получаемых с датчиков, включенных в фазные обмотки статора АД. Управление ключами полумостовых элементов инвертора осуществляется сигналами прямого  и инверсного  выходов -триггеров, на входы данных которых подаются логические сигналы знаков отклонения истинного тока от заданного , формируемые фазными компараторами. Изменение состояния -триггеров происходит в момент появления тактовых импульсов, следующих с периодом .

Если мгновенное значение сигнала задания  меньше значения истинного тока , то разность их положительна и в момент поступления тактового импульса соответствующий триггер примет состояние (или останется в состоянии) при котором будет замкнут нечетный ключ, соединяющий обмотку с положительным полюсом источника питания . Такое подключение обеспечивает увеличение тока в межкоммутационном интервале. В противном случае триггер примет состояние, при котором обмотка статора будет подключена к отрицательному полюсу источника питания  и ток в ней будут уменьшаться по экспоненте (рис. 1 в). Таким образом, ток статора в пределах периода коммутации формируется из участков экспонент, а его основная гармоника соответствует сигналу задания . Различное отклонение среднего значения тока от заданного в пределах показанного на рисунке полупериода объясняется различным влиянием ЭДС ротора на участках возрастания и уменьшения основной гармоники тока.

Структурная схема модели, соответствующей описанному процессу приведена на рис. 1 б. Здесь сохранение знака ошибки регистром на период тактовых импульсов показано звеном, соответствующим аналого-цифровому преобразованию среднего значения с постоянной тактовой частотой – .

 

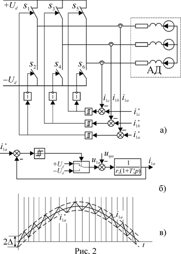
Если различное отклонение формируемого тока от заданного значения нежелательно, то применяет ШИР, работающий в режиме «токового коридора». Здесь сигналы управления ключами формируются элементами типа двухпозиционного реле с гистерезисом, на вход которых подаются сигналы ошибки формирования фазного тока.

Изменение состояния реле происходит в том случае, если ошибка станет равной или больше заданного значения гистерезиса . При этом состояние  будет приводить к замыканию соответствующего нечетного ключа и следующего за этим возрастания тока в обмотке, а состояние  – к замыканию четного ключа и уменьшению тока. Таким образом, среднее значение фазного тока будет в точности соответствовать заданному с ошибкой , определяемой величиной гистерезиса релейного элемента. Такое устройство называют также релейным усилителем мощности.

В отличие от формирователя с постоянной тактовой частотой, здесь интервалы между коммутациями отличаются друг от друга. Это связано с тем, что изменения тока под влиянием различных уровней ЭДС ротора на разных участках основной гармоники происходят с различной скоростью.

Таким образом, формирователь типа токового коридора обеспечивает работу с постоянной ошибкой формирования и переменной частотой коммутации, а формирователь с постоянной тактовой частотой – работу с переменной ошибкой формирования. Выбор типа формирователя определяется поставленной задачей, но переменная частота коммутации усложняет задачу выбора мощности преобразователя, т.к. именно этот параметр существенно влияет на величину потерь в ШИП. Увеличение частоты приводит к росту коммутационных потерь и требует увеличения мощности ПЧ.

Следует заметить, что рассмотренные выше структурные схемы и процессы работы формирователей тока соответствуют однофазной мостовой схеме инвертора с фазной обмоткой статора, подключенной к его выходу. В трехфазном инверторе в зависимости от состояния ключей на различных межкоммутационных интервалах будут действовать напряжения . Это существенно усложняет анализ процессов в ШИР, но не влияет на основной результат. Если же требуется детальный анализ, то моделирование процессов нужно выполнять с помощью современных математических пакетов программ, позволяющих имитировать алгоритм работы инвертора при различных сигналах управления.