2.2.2. Прямое управление моментом (DTC)
Развитие средств вычислительной техники и силовой электроники в последние десятилетия привело к тому, что появились новые возможности управления АД. В дополнение к модульному и трансвекторному способам был разработан и с середины 90-х годов реализован в серийных изделиях фирмы ABB способ так называемого прямого управления моментом (DTC – direct torque control).
В основу работы системы
положено уравнение электромагнитного момента АД

где
– пространственный угол между
векторами потокосцеплений статора
и ротора
. Если модули векторов
и
поддерживать
постоянными, то величиной момента можно управлять, изменяя угол
.
При питании АД от инвертора напряжения в зависимости от
состояния ключей возможно формирование восьми пространственных векторов
(рис. 1 а),
называемых базовыми. Причем, векторы
и
являются нулевыми и
соответствуют короткому замыканию обмоток статора чётными или нечётными ключами
(см. раздел пространственно-векторной модуляции).
Из уравнения статора АД в неподвижной системе координат можно определить связь между векторами напряжения и потокосцепления
.
Полагая
и переходя к конечным разностям,
получим
.
Таким образом, вектор приращения потокосцепления статора
совпадает
по направлению с вектором напряжения
и пропорционален длительности его
формирования. Для интервала времени, в котором формируется
-й базовый вектор
можно записать
,
где
и
– начальное и конечное
значения вектора потокосцепления статора. На рис. 1 б) показано изменение
состояния этого вектора для случая формирования инвертором базового вектора
. Конечные
положения вектора
для общего случая формирования любых
ненулевых базовых векторов, очевидно, соответствуют вершинам правильного
шестиугольника, образованного векторами приращений
, с центром в конце вектора
начального значения
(см. рис. 1 б).
В АД электромагнитная постоянная времени ротора
в
раза больше
постоянной времени статора
. Поэтому, если длительность
межкоммутационного интервала
, то при качественном анализе можно
считать, что потокосцепление ротора
после коммутации ключей инвертора
остается практически постоянным, а изменяется только
. Следовательно,
выбор базового вектора, формируемого инвертором, определяет не только изменение
модуля потокосцепления статора, но и угла между векторами
и
, т.е.
приращение электромагнитного момента
. На примере состояния векторов,
показанного на рис. 1, можно проследить влияние этого
выбора.
Пусть в некоторый момент времени векторы
и
находятся в
положении рис. 1 а) и угол между ними равен
. Если теперь замкнуть статор
накоротко, формируя один из нулевых базовых векторов
или
, то
, т.е.
векторы потокосцеплений статора и ротора сохранят свои значения и электромагнитный
момент не изменится. Выбор одного из двух нулевых векторов производится из
условия минимального числа коммутаций ключей при переходе к новому состоянию. В
случае формирования базового вектора
(рис. 1 б) модуль потокосцепления
статора и угол
увеличатся, вызывая соответствующее
увеличение момента. Формирование базового вектора
, строго говоря, однозначно не
определяет приращения модуля и момента. Для малых углов
между векторами
и
приращение
модуля будет отрицательным, а момента – положительным (рис. 1 г). При некотором
граничном значении
, определяемом модулями векторов
и
приращение
модуля потокосцепления будет нулевым (рис. 1 д), а при больших значениях –
положительным (рис. 1 е). Из равнобедренного треугольника векторов
,
и
на рис. 1
д) можно найти
. Следовательно, положительное
приращение модуля потокосцепления статора при формировании базового вектора
будет
соответствовать углам
. Однако на практике система DTC работает при столь малых значениях
, что
и можно
считать, что в пределах
приращение модуля потокосцепления
отрицательно. Формирование базовых векторов
и
, будет приводить к
уменьшению
, т.е. момента, и к уменьшению или
увеличению модуля потокосцепления
соответственно. Первый и четвертый
базовые векторы обычно для управления не используются, т.к. знак приращения
момента при формировании этих векторов зависит от знака угла между ними и
начальным вектором
. На рисунке 1 в) показаны два
состояния, соответствующие формированию базового вектора
при разных знаках
угла
.
При
приращение
угла и момента
, а при
–
.
Рассмотренное нами влияние выбора базового вектора на
потокосцепление статора и момент АД справедливо только в том случае, если угол
между векторами
и
не превышает
. В
противном случае знак приращения модуля
при формировании векторов
и
будет
противоположным. Для исключения этой неоднозначности при выборе плоскость базовых
векторов разделяют на секторы ошибок
(рис. 1 а), в
пределах которых знак приращения
сохраняется.
Очевидно, что в случае расположения начального вектора
в другом
секторе базовых векторов, изменения модуля и момента будут соответствовать
рассмотренным вариантам, если в них в качестве
принять базовый вектор,
ограничивающий начало сектора, а остальные векторы отсчитывать от него в том же
порядке.
Алгоритм работы системы DTC строится следующим образом. Вначале каким-либо образом
определяются вектор потокосцепления статора
и электромагнитный момент АД
. Затем
модуль вектора и момент сравниваются с заданными значениями
и
, после чего
с помощью компараторов, называемых релейными регуляторами, формируются
логические сигналы ошибки
и
. Обычно для управления
модулем потокосцепления используют релейный регулятор с гистерезисом ![]()
,
а для управления моментом – релейный регулятор с
гистерезисом
и зоной нечувствительности ![]()
.
Знак сигнала ошибки соответствует знаку требуемого
приращения величины. На основании этих сигналов и зная положение вектора
потокосцепления на плоскости базовых векторов можно выбрать такую комбинацию
состояний ключей инвертора, при которой будет сформирован базовый вектор
напряжения минимизирующий отклонение от заданных значений. Таким образом, в
результате работы системы модуль потокосцепления статора и электромагнитный
момент АД будут постоянно находиться в зоне допустимого отклонения от заданного
значения, определяемого величиной гистерезиса соответствующего регулятора.
Выбор базового вектора минимизирующего ошибку регулируемых величин в
зависимости от сектора, в котором в данный момент находится вектор
, можно
производить, например, с помощью заранее составленной таблицы.
Таблица формирования базовых векторов.
|
Сигнал ошибки |
Сектор ошибки |
||||||
|
|
|
d1 |
d2 |
d3 |
d4 |
d5 |
d6 |
|
+1 |
+1 |
|
|
|
|
|
|
|
0 |
|
|
|
|
|
|
|
|
–1 |
|
|
|
|
|
|
|
|
–1 |
+1 |
|
|
|
|
|
|
|
0 |
|
|
|
|
|
|
|
|
–1 |
|
|
|
|
|
|
|
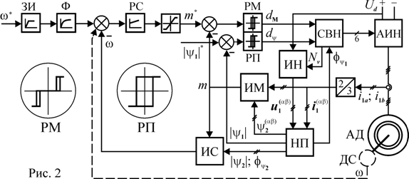
Функциональная схема одной из реализаций системы DTC приведена на рис. 2. Она
имеет два
канала управления
скоростью вращения
и модулем потокосцепления статора
.
На входе канала управления скоростью установлен задатчик
интенсивности (ЗИ) ограничивающий ускорение при разгоне и снижении скорости.
Ограничение ускорений необходимо для уменьшения нагрузок на автономный инвертор
напряжения (АИН). При разгоне ЗИ ограничивает ток АИН, а при замедлении –
рассеяние или возврат энергии в источник. Как и в системе трансвекторного
управления для исключения значительного перерегулирования на выходе ЗИ
целесообразно установить апериодический фильтр первого порядка (Ф). На выходе
ПИ регулятора скорости (РС) формируется сигнал задания момента
,
ограниченный нелинейным звеном насыщения.
Идентификации потокосцеплений статора и ротора производится
адаптивным наблюдателем (НП), в котором используется информация о текущих
значениях токов и напряжении статора. Фазные токи
преобразуются (3-2 на рис. 2)
в ортогональные проекции
. Вектор напряжения статора
определяется
идентификатором напряжения (ИН) по номеру состояния ключей АИН
(номеру
базового вектора 0-7) и напряжению на входе инвертора
. Полученные векторы
и
служат
основой для вычислений координат векторов
, а также текущих значений
момента
и
частоты вращения
в соответствии с выражениями
В уравнениях момента и скорости используются средние за
интервал дискретности вычислений (
) значения, а синхронная частота
вращения определяется методом конечных разностей как
.
Сигналы задания момента
и модуля потокосцепления
статора
сравниваются
с текущими оценками
и
. После чего, с помощью
релейных регуляторов РМ и РП с гистерезисной характеристикой формируются
логические сигналы ошибок этих величин. Величина гистерезиса характеристик
регуляторов определяет допустимое отклонение от заданного значения, а также
частоту коммутации ключей АИН. Поэтому если требуется управление частотой
коммутации при изменении частоты вращения магнитного поля или ее ограничение,
то используют регуляторы момента и потока с управляемым гистерезисом.
Сигналы ошибок и текущего угла потокосцепления статора
поступают
на вход селектора вектора напряжения (СВН), который
осуществляет управление ключами АИН в соответствии, например, с приведенной
выше таблицей.
Из выражений (1) следует, что основной
задачей, от решения которой зависит работоспособность системы, является
идентификация потокосцепления статора
, т.к. эта величина используется во всех
последующих вычислениях. Она определяется интегрированием, а эта операция в
принципе приводит к накоплению ошибки. В данном случае источником появления
ошибки является неточность определения активного сопротивления статора
и его
изменение под влиянием нагрева в процессе работы АД. Ошибка определения
более чем
10% приводит к потере работоспособности системы
. Поэтому в таких устройствах
используют режим предварительной идентификации параметров двигателя и алгоритмы
адаптации в процессе работы. Сопротивление ротора
также изменяется, но
чувствительность системы к ошибке его идентификации невелика и сказывается
только на точности оценки частоты вращения в приводе без датчика скорости.
Предварительная идентификация параметров АД производится при
пуске. Для этого используется режим возбуждения магнитного потока, при котором
напряжение на двух фазах статора модулируется переключением векторов
так, чтобы
среднее значение тока
не превышало допустимое. Тогда по
средними значениям напряжения и тока можно определить
с погрешностью не
более 1% как
.
Для определения полной индуктивности статора
также
используют режим предварительного возбуждения постоянным током. При этом АД
сначала намагничивается током близким к номинальному значению, а затем система
переводится в режим поддержания заданного потокосцепления
. Так как до этого
сопротивление
уже было определено и ошибка
интегрирования за время теста не успевает накопиться, то
.
Принимая предварительно
, можно определить полную
взаимную индуктивность
из зависимости
.
Идентификация
выполняется также в режиме
намагничивания на основе линейной аппроксимации кривой намагничивания ротора:
,
где
– значение потокосцепления ротора в
момент перехода в режим поддержания потокосцепления;
– время
намагничивания с ограничением тока;
– среднее значение составляющей тока
ротора за время
.
Погрешность идентификации индуктивностей и сопротивления ротора обычно не превышает 5%.
Системы
позволяют обеспечить