2.2.1.3. Модель АД, управляемого напряжением статора

Управление АД можно осуществлять также с помощью проекций вектора напряжения статора на оси . Для этого нужно получить модель АД, в которой входными величинами являются  и . Запишем уравнение статора АД в системе координат

                                                                        .                           (1)

Затем, пользуясь уравнениями потокосцеплений, представим потокосцепление статора через потокосцепление ротора и ток статора

                                                                                         (2)

где:  – коэффициенты электромагнитной связи статора и ротора; – общая индуктивность рассеяния со стороны статора.

Опустим индексы системы координат и, подставляя (2) в (1) и преобразуя это уравнение по Лапласу, получим

Разделяя проекции векторов в этом уравнении, мы получим с учетом того, что , выражения для проекций напряжения и тока статора –

                                                                                          (3)

                                                                                     (4)

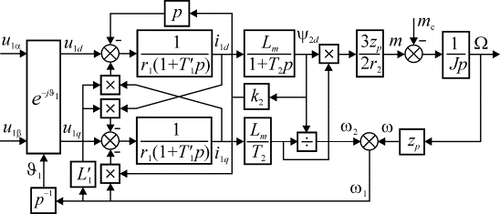
Отсюда, используя структуру АД, управляемого током статора, построим структурную схему АД, управляемого напряжением, показанную на рисунке. Она нелинейна и содержит перекрестные связи. Входными величинами являются проекции напряжений статора на оси  –  и . Здесь, также как при токовом управлении, проекции вектора напряжения в синхронной системе координат получены преобразованием  с помощью внутреннего ротатора ( на рисунке).

В случае необходимости анализа процессов с использованием реальных фазных напряжений в трехфазной машине структуру модели нужно дополнить безинерционным блоком преобразования числа фаз.