1.2.5 Динамические характеристики АД при питании от источника тока.

Основой для анализа динамических свойств АД может быть векторное уравнение ротора в синхронной системе координат , если в нем ток ротора представить через ток статора . Запишем это уравнение в форме Коши

                                                                                                   (1)

и разделим составляющие векторов, совместив ось  системы координат с вектором . Тогда с учетом  получим

                                                               .                              (2)

                                                            .                          (3)

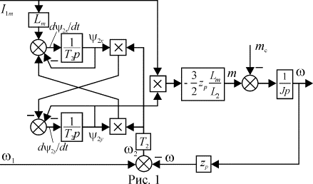
Структурная схема, соответствующая уравнениям (2-3) совместно с уравнением движения , представлена на рис. 1. Она имеет два независимых управляющих входа: задания тока  и частоты  статора. Однако при анализе тока намагничивания было отмечено, что нормальная работа двигателя возможна только при введении функциональной связи между каналом управления током и скольжением или скоростью вращения. Такую связь, пользуясь понятием абсолютного скольжения , можно представить функцией

.

При постоянном или медленно изменяющемся значении тока статора . Заменим производную оператором Лапласа и представим уравнения (2) в виде

                                                                           .

Отсюда

.

Подставляя это выражение в уравнение момента (3), получим уравнение динамической механической характеристики

                                                               ,                                    (4)

где  – критический момент;  – относительная частота ротора или абсолютное скольжение, а  – критическое скольжение при номинальной частоте статора.

Уравнение (4) формально идентично уравнению динамической механической характеристики АД при питании от источника ЭДС. Поэтому с ним можно проделать аналогичные преобразования и получить линеаризованную механическую характеристику и передаточную функцию динамической жесткости в виде

,

где  – модуль жесткости линеаризованной механической характеристики. Жесткость этой характеристики существенно выше, чем характеристики АД с источником ЭДС. Их отношение составляет

.

Однако инерционность привода питающегося от источника тока во много раз больше, т.к. . В абсолютном исчислении постоянная времени ротора составляет 0,15-1,5 с и большие значения относятся к двигателям большей мощности.