Перечень вопросов из теста 1 к курсу "Метрология и электрические измерения".

Содержание теста:
Метрология. Основные определения.
Средства измерений. Основные технические характеристики измерительных приборов.
Погрешности измерений.

Тема 1. Метрология. Основные определения.
1. Что понимают под измерениями?
2. Дайте определение точности измерений.
3. Дайте определение погрешности измерений.
4. Дайте определение прямым измерениям.
5. Дайте определение косвенным измерениям.
6. Дайте определение совместным измерениям.
7. Дайте определение измерениям по методу непосредственной оценки.
8. Дайте определение измерениям по методу сравнения.
9. Какой метод сравнения используется в схеме измерительных мостов?
10. Назовите метод сравнения, который используется при определении коэффициента тренсформации трансформатора по отношению напряжений на его первичной и вторичной обмотках.
11. Назовите метод сравнения, который используется при измерении частоты (периода) исследуемого сигнала путём совмещения его и сигнала образцовой частоты на экране двухлучевого электронного осциллографа.
12. При каком методе сравнения измеряемая Ax и образцовая A0 величины измеряются поочерёдно на одном и том же оборудовании, добиваясь при этом одинакового режима его работы?
13. При каком методе сравнения величина ΔA является измеряемой величиной, а искомая величина Ax определяется по формуле Ax = A0 + ΔA?
14. Чем, в основном, объясняется высокая точность измерения при использовании метода сравнения?
15. Какие измерения используются при определении мощности нагрузки по показаниям амперметра и вольтметра?
ris4.jpg
16. Какие измерения используются при определении мощности по показаниям ваттметра?
ris7.jpg
17. Какие измерения используются при определении основных параметров терморезистора - ТКС α и сопротивления Rо?
18. Дайте определение измерительно-информационным системам (ИИС).
19. Дайте определение измерительно-вычислительным комплексам (ИВК).

Тема 2. Средства измерений. Основные технические характеристики измерительных приборов.
20. Какие функции выполняют эталоны?
21. Какие функции выполняют меры?
22. Какие функции выполняют средства измерения?
23. Какие функции выполняют измерительные преобразователи?
24. Как определяется АЧХ измерительных приборов?
25. Чем определяется нижнее значение fн частотного диапазона аналогового ИП?
26. Как определяются нижнее fн и верхнее fв значения частотного диапазона аналогового вольтметра, если известны допустимая ΔUдоп и частотная ΔUf погрешности?
27. Как определяется рабочий частотный диапазон Δf аналоговых ИП?
28. При какой форме напряжения снимается АЧХ аналоговых ИП?
29. В каком соотношении должны быть частотные диапазоны образцового и поверяемого вольтметров при снятии АЧХ?
30. Укажите размерность чувсивительности вольтметра.
31. Укажите размерность постоянной (цены деления) амперметра.
32. Определить мощность нагрузки Pн, если вольтметр показывает 10В, а сопротивление нагрузки Rн = 1Ом.
ris10.jpg
33. Определить мощность нагрузки, если амперметр показывает 1А, а сопротивление нагрузки 100Ом.
ris9.jpg
34. Определить сопротивление нагрузки Rн, если амперметр показывает 0,5А, а вольтметр - 10В.
ris4.jpg
35. Определите цену деления вольтметра CV, если Uном = 10В и αном = 100 дел.
36. Определите цену деления ваттметра CW, если Uном = 50В, Iном = 0,1А и αном = 100 дел.
37. Определите мощность, потребляемую вольтметром от объекта измерения, если его входное сопротивление Rвх = 103Ом, а измеренное напряжение U = 10В.
38. Определите чувствительность вольтметра SV, если Uном = 10В, αном = 100 дел.
39. Укажите, в каком соотношении находятся значения чувствительности S вольтметра для трёх его номинальных значений Uном1, Uном2 и Uном3.
ris15.jpg
40. Определите Э.Д.С. термопары типа ТХК, если SТП = 0,07 МВ / град, θх = 20 градусов, θг = 220 градусов.
41. Какое уравнение соответствует равновесному состоянию измерительного моста, если сопротивления R1 ≠ R2 ≠ R3 ≠ R4?
ris19.jpg
42. При каком значении сопротивления R4 измерительный мост будет находиться в равновесном состоянии, если R1 = 400Ом, R2 = 100Ом и R3 = 200Ом?
ris19.jpg
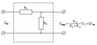
43. Расчёт сопротивления Rx = R4 производится по формуле
Rx = R4 = kR2,
где k может принимать следующие значения: 0,01; 0,1; 1; 10; 100. Отношение каких двух сопротивлений представляется коэффициентом k?
ris19.jpg
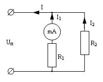
44. Какое влияние оказывает напряжение питания Uп измерительного моста на результат измерения сопротивления Rx = R4?
ris19.jpg

Тема 3. Погрешности измерений.
45. Дайте определение систематической погрешности.
46. Дайте определение случайной погрешности.
47. Дайте определение промаху.
48. Дайте определение основной погрешности.
49. Дайте определение дополнительной погрешности.
50. Какое из уравнений преобразования ИП содержит аддитивную погрешность?
51. Какое из уравнений преобразования ИП содержит мультипликативную погрешность?
52. Какая погрешность представлена на графике?
ris1.jpg
53. Какая погрешность представлена на графике?
ris2.jpg
54. Какая кривая представляет относительную аддитивную погрешность измерения δа = Δyа / y?
ris3.jpg
55. Какая кривая представляет относительную мультипликативную погрешность измерения δм = Δyм / y?
ris3.jpg
56. Определите абсолютную погрешность ΔC емкостной меры в мкФ, если Cном = 0,5 мкФ, класс точности K = 0,01.
57. Как определяется абсолютная погрешность?
58. Как определяется относительная погрешность?
59. Как определяется приведённая погрешность?
60. Какая погрешность определяет класс точности ИП?
61. Относительная погрешность вольтметра, представленная выражением
δ = ±[c + d(Uk / Uизм - 1)]%,
имеет две составляющие. Какая из составляющих погрешности является аддитивной?
62. Относительная погрешность вольтметра, представленная выражением
δ = ±[c + d(Uk / Uизм - 1)]%,
имеет две составляющие. Какая из составляющих погрешности является мультипликативной?
63. Дайте определение поправки.
64. Дайте определение аддитивной погрешности.
65. Дайте определение мультипликативной погрешности.
66. Абсолютная погрешность ИП может быть выражена формулой
Δ = ±(a + bxk).
Какая составляющая погрешности является мультипликативной?
67. Абсолютная погрешность ИП может быть выражена формулой
Δ = ±(a + bxk).
Какая составляющая погрешности является аддитивной?
68. По какой формуле рассчитывается абсолютная погрешность измерения мощности нагрузки?
ris4.jpg
69. По какой формуле рассчитывается абсолютная погрешность ΔU измерения напряжения?
70. Обозначьте измерительные приборы (ИП) в схеме измерения мощности (сопротивления). Амперметр - A, вольтметр - V, ваттметр - W.
ris5.jpg
71. Обозначьте измерительный прибор (ИП) в схеме измерения тока Ix. Амперметр - A, вольтметр - V, ваттметр - W.
ris6.jpg
72. В каком соотношении должны находиться сопротивление нагрузки Rн и образцовое сопротивление Rо, чтобы методическая погрешность измерения тока была бы минимальной?
ris6.jpg
73. Измеряемое напряжение Ux определяется по показаниям двух одинаковых вольтметров, параметры которых: Uном = 10В, класс точности k = 1, показания вольтметров - 8В. Результат измерения: Ux = 16 ± ΔU В.
Определить абсолютную погрешность ΔU измеряемого напряжения.
ris8.jpg
74. Определить относительную погрешность δR измерения сопротивления нагрузки Rн по показаниям амперметра и вольтметра, если их относительные погрешности равны (δA = δU = 1%).
ris4.jpg
75. Определите абсолютную погрешность измерения напряжения ΔU, если вольтметр имеет Uном = 100В, класс точности 1,5, измеренное напряжение U = 50В.
76. Определите относительную погрешность измерения напряжения δv, если вольтметр имеет: Uном = 10В, класс точности 0,2 / 0,1, U = 50В.
77. Назовите тип измерительного преобразователя.
ris11.jpg
78. Укажите тип измерительного преобразователя.
ris12.jpg
79. Укажите тип измерительного преобразователя.
ris13.jpg
80. Укажите тип измерительного преобразователя.
ris14.jpg
81. Определите сопротивление R1, если R2 = 10кОм и коэффициент деления k = 1 / 10.
ris14.jpg
82. Из АЧХ вольтметра получили значение верхней частоты fв = 1кГц. Определить fmax частоты измеряемого напряжения прямоугольной формы, если учесть его пятую гармонику. Напряжение прямоугольной формы можно представить как сумму его нечётных гармоник.
83. Определите мощность, потребляемую вольтметром, если ток полного отклонения стрелки ИП - 10мА, а входное сопротивление - 200Ом.
84. По какой формуле определяется допустимая погрешность ΔUдоп вольтметра при построении его АЧХ?
85. Косвенный метод измерения сопротивления нагрузки Rн дал значение, равное 105Ом. Определить относительную погрешность измерения сопротивления δRн, если учесть сопротивление амперметра RA = 5Ом.
ris4.jpg
86. При поверке амперметра с предельным значением тока 0 - 10А на отметке Iпов = 2А образцовый амперметр показал Iобр = 1,95А. При этом оказалось, что ток на этой отметке имеет наибольшую абсолютную погрешность. Определить класс точности амперметра.
87. При поверке амперметра с предельным значением тока 0 - 10А на отметке Iпов = 2А образцовый амперметр показал Iобр = 1,95А. Определить поправку на этом делении.
88. Какой погрешностью измерений удобно оценивать точность измерений?
89. Маркировка "К68" на резисторе типа МЛТ соответствует сопротивлению 680Ом. Действительное значение сопротивления оказалось равным 700Ом. Определите относительную погрешность сопротивления резистора.
90. Маркировка "К68" на резисторе типа МЛТ соответствует сопротивлению 680Ом. Допустимая рассеиваемая мощность для данного типа резистора составляет Pдоп = 0,125Вт. Определить допустимый ток резистора.
91. Определить предельное измеряемое напряжение вольтметра (Uном), если αном = 100 дел, а его чувствительность S = 0,1 дел / В.
92. Для определения Э.Д.С. E генератора к его зажимам подключён вольтметр с входным сопротивлением Rвх = 1000Ом. Внутреннее сопротивление генератора Rвн = 5Ом. Какую ошибку мы допускаем, считая показания вольтметра U равными Э.Д.С. E генератора?
ris16.jpg
93. Определить относительную погрешность измерения тока I = 2А амперметром с Iном = 10А и классом точности k = 1,5.
94. Определить относительную погрешность измерения напряжения U = 2В вольтметром с Uном = 100В и классом точности k = 2,5.
95. Два вольтметра с входными сопротивлениями 5КОм и 10КОм соединены последовательно и подключены на напряжение Uп = 120В. Определить показания вольтметров U1 и U2.
ris8.jpg
96. Какая схема измерения сопротивления R = 200Ом даcт меньшую относительную погрешность?
ris17.jpg
97. Поверка вольтметра на отметках его шкалы 1, 2, 3, 4 и 5 В дала следующие значения образцового вольтметра: 0,94; 2,05; 3,03; 4,07; 4,95 В. Необходимо определить класс точности поверяемого вольтметра.
98. При раздельном измерении токов I1 и I2 одним и тем же амперметром с Iном = 100мА и классом точности k = 1,5 получили I1 = I2 = 75мА. Результат измерения: I = 150мА ± ΔI. Определить абсолютную погрешность ΔI.
ris18.jpg